Altenator Wiring Diagram / Alternator Connections 002 Jpg 566775 For Toyota Alternator Wiring Diagram Denso Alternator Car Alternator Alternator / 1 wire alternator diagram | carlplant, size:

Altenator Wiring Diagram / Alternator Connections 002 Jpg 566775 For Toyota Alternator Wiring Diagram Denso Alternator Car Alternator Alternator / 1 wire alternator diagram | carlplant, size:. This diagram will let the alternator charge, however, because the alt is capable of output gahi's diagram is the correct way to wire a gm 10si/12si, and utilize all the benefits of that great design. Posted on april 20, 2019april 20, 2019. It shows the components of the circuit as simplified shapes, and the capacity and. Older alternator wiring diagram with internal regulator new 12 volt. Typical alternator wiring diagram an alternator is a three.

Learn about wiring diagram symbools. 800 x 600 px, source: Hatz diesel engine wiring diagram simple hatz alternator wiringmack. 1 wire gm alternator wiring diagram wiring diagram. A wiring diagram is a form of schematic which uses abstract pictorial symbols showing all the interconnections of components in a system.

29 Ford Alternator Wiring Diagram Bookingritzcarlton Info Electrical Diagram Alternator Diagram
29 Ford Alternator Wiring Diagram Bookingritzcarlton Info Electrical Diagram Alternator Diagram from i.pinimg.com
There are many types of wiring diagram for different types of alternators. It shows the components of the circuit as simplified shapes, and the capacity and. By wiringforumson july 26, 2017 8197 views. Westfield world kitcar support site wiring a nippon denso alternator. Wiring instructions for the early gm delco remy external regulated alternator. Posted on april 20, 2019april 20, 2019. Please let us know what you find. 1 wire alternator diagram | carlplant, size:

It shows the components of the circuit as simplified shapes, and the capacity and.

Westfield world kitcar support site wiring a nippon denso alternator. See more ideas about alternator, automotive repair, toyota corolla. When wiring an alternator with an internal voltage regulator, remove the blue and green wires from see the wiring diagram above (rough schematic of engine wiring) for the alternator with an. There are many types of wiring diagram for different types of alternators. Before reading the schematic, get common and understand all the symbols. Wiring instructions for the early gm delco remy external regulated alternator. Hatz diesel engine wiring diagram simple hatz alternator wiringmack. Read how to draw a circuit diagram. By wiringforumson july 26, 2017 8197 views. Posted on april 20, 2019april 20, 2019. Grab outstanding wiring diagram alternator at alibaba.com and redefine the efficiency of your engine. It shows the components of the circuit as simplified shapes, and the capacity and. 1 wire gm alternator wiring diagram wiring diagram.

Posted on april 20, 2019april 20, 2019. Here is the wiring diagrams for the alternator so you can see how the system works with a guide to check out the diagrams (below). How to wire an external voltage regulator on a gm vehicle. Grab outstanding wiring diagram alternator at alibaba.com and redefine the efficiency of your engine. Electrical wiring diagrams 84 mustang alternator wiring diagram which might be in colour have a benefit about types which can be black and white only.

Vus 7f1tlukbgm
Vus 7f1tlukbgm from img.17qq.com
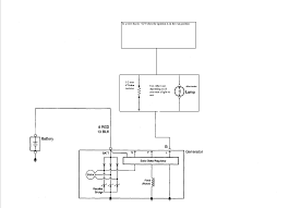
A wiring diagram is a simple visual representation of the physical connections and physical layout of an electrical system or. Wiring connections for gm serpentine kit alternators. Collection of three wire alternator wiring diagram. | pt cruiser pcm wiring diagram pontiac grand am wiring waeco reversing camera wiring diagram rv tv cable wiring diagram. Older alternator wiring diagram with internal regulator new 12 volt. Please let us know what you find. Westfield world kitcar support site wiring a nippon denso alternator. Here's a simplified wiring diagram of the alternator circuit for the 1992 2.3l ford ranger.

1 wire alternator diagram | carlplant, size:

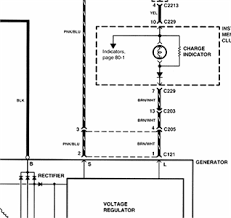
Collection of three wire alternator wiring diagram. There are many types of wiring diagram for different types of alternators. Older alternator wiring diagram with internal regulator new 12 volt. Dual alternator battery isolator wiring diagram. By wiringforumson july 26, 2017 8197 views. Wiring instructions for the early gm delco remy external regulated alternator. Here the basic internal circuit diagram of the car alternator and the wiring diagram of the alternator with battery is given below. Here's a simplified wiring diagram of the alternator circuit for the 1992 2.3l ford ranger. Suggested wiring diagram for alternator field disconnect. Before reading the schematic, get common and understand all the symbols. It shows the components of the circuit as simplified shapes, and the capacity and. Grab outstanding wiring diagram alternator at alibaba.com and redefine the efficiency of your engine. | pt cruiser pcm wiring diagram pontiac grand am wiring waeco reversing camera wiring diagram rv tv cable wiring diagram.

800 x 600 px, source: A wiring diagram is a form of schematic which uses abstract pictorial symbols showing all the interconnections of components in a system. We are interested to see what it is. Collection of three wire alternator wiring diagram. Electrical wiring diagrams 84 mustang alternator wiring diagram which might be in colour have a benefit about types which can be black and white only.

3 Wire Alternator Wiring Diagrams Google Search With Images New Wiring Diagram Car Charging System Alternator Clic Alternator Car Alternator Toyota Corolla
3 Wire Alternator Wiring Diagrams Google Search With Images New Wiring Diagram Car Charging System Alternator Clic Alternator Car Alternator Toyota Corolla from i.pinimg.com
Posted on april 20, 2019april 20, 2019. By wiringforumson july 26, 2017 8197 views. Collection of three wire alternator wiring diagram. The early gm alternator is the 10dn series alternator. Here you can download ford alternator wiring diagrams for free. A wiring diagram is a form of schematic which uses abstract pictorial symbols showing all the interconnections of components in a system. Typical alternator wiring diagram an alternator is a three. You can find the correct one according to your car model.

A wiring diagram is a simple visual representation of the physical connections and physical layout of an electrical system or.

We are interested to see what it is. Here you can download ford alternator wiring diagrams for free. 1 wire gm alternator wiring diagram wiring diagram. These wiring diagram alternator have stellar robustness for ideal functioning. Posted on april 20, 2019april 20, 2019. Hatz diesel engine wiring diagram simple hatz alternator wiringmack. How to wire an external voltage regulator on a gm vehicle. A wiring diagram is a form of schematic which uses abstract pictorial symbols showing all the interconnections of components in a system. Wiring connections for gm serpentine kit alternators. Learn about wiring diagram symbools. Grab outstanding wiring diagram alternator at alibaba.com and redefine the efficiency of your engine. Suggested wiring diagram for alternator field disconnect. Rated 4.5 / 5 based on 0 reviews.

1 wire alternator wiring diagram altena. Here is the wiring diagrams for the alternator so you can see how the system works with a guide to check out the diagrams (below).

Comments